Hi Jeff,
I’ve got a strange question about an Ibanez GX20 combo. This has puzzled me since I bought the amp in 1984, so I hope you can help me finally resolve it. In addition to bass, middle, treble, and reverb knobs, this solid-state amp has two inputs—overdrive and normal—and three volume knobs: overdrive, normal, and master. It’s the volume knobs that bother me.
Looking at these three knobs, you’d think the overdrive volume would control the gain of the overdrive input, and the normal volume would likewise control the gain of the normal input.
And that’s correct if you’re plugged into the normal input. In that scenario, the overdrive volume has no function.
But if you plug into the overdrive input, the volume is controlled by a combination of the overdrive and normal volume knobs, as well as the master. The user manual shows a simple scheme to combine these volumes, but I just don’t understand how it works. Is it a pre-gain/post-gain thing?
Ad van Oyen
The Netherlands
Hello Ad,
I typically don’t answer questions about solid-state amps, but I figured that because this is PG’s annual pedal issue and Ibanez made your amp, there might be a common thread here. While Ibanez makes many other products, they certainly left an indelible mark on the vintage pedal market with a couple of wildly successful stomps—the TS808 and the TS9.
Ibanez still makes amps, including a tube amp with a built-in Tube Screamer circuit, but your particular model comes from what I consider to be the second generation of solid-state amps. By the mid 1980s, solid-state circuits had improved from the 1960s, and more and more amps were combining the old transistor technology with the newer IC (Integrated Circuit) technology. Yours is one of these examples, though it only uses a 4558 IC (the same number as in a TS) as a reverb send and return. The rest of your amp consists of old-school discrete component design. One more cool and crazy fact: This amp, like many Ibanez effects, was also available in an identical model branded as a Maxon device. But so much for products with multiple identities. Let’s see if I can help you understand the different inputs and their associated controls.
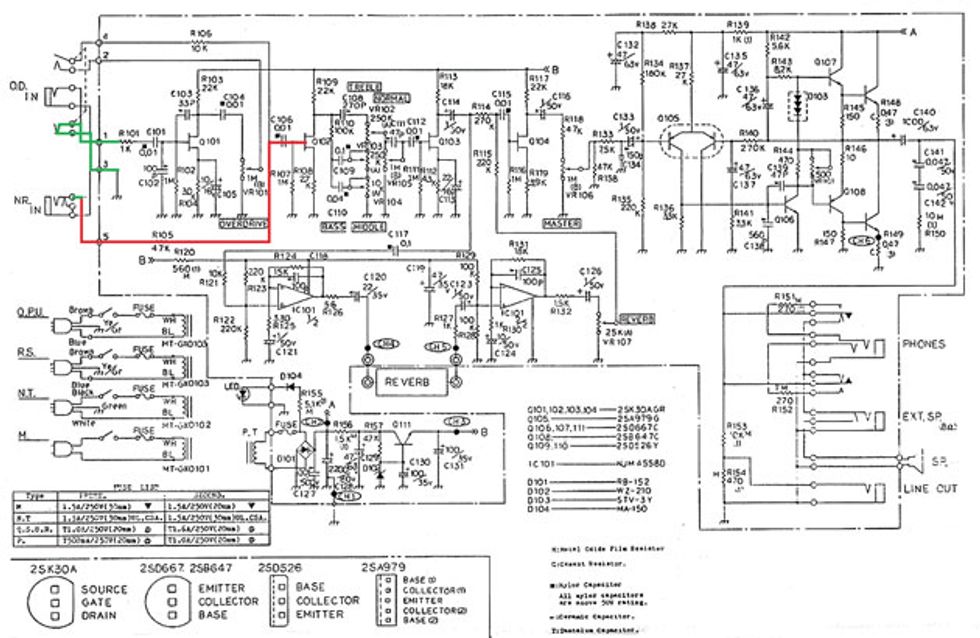
Fig. 1
You describe how both the overdrive and normal volume controls affect the sound when the guitar is plugged into the overdrive input, but if the guitar is plugged into the normal input, only the normal control functions. This is correct and intentional in design.
Look at Fig. 1, where I’ve traced out the signal path from the input jack in red. As you can see, it goes directly from the normal input to the input of transistor Q102. The output of this stage then goes to the tone stack (treble, middle, and bass knobs), and then to the normal volume control. The signal has completely bypassed the first gain stage based around Q101. In this mode, the input of the first gain stage (Q101) is also grounded—as shown by the green trace—to avert any added noise.
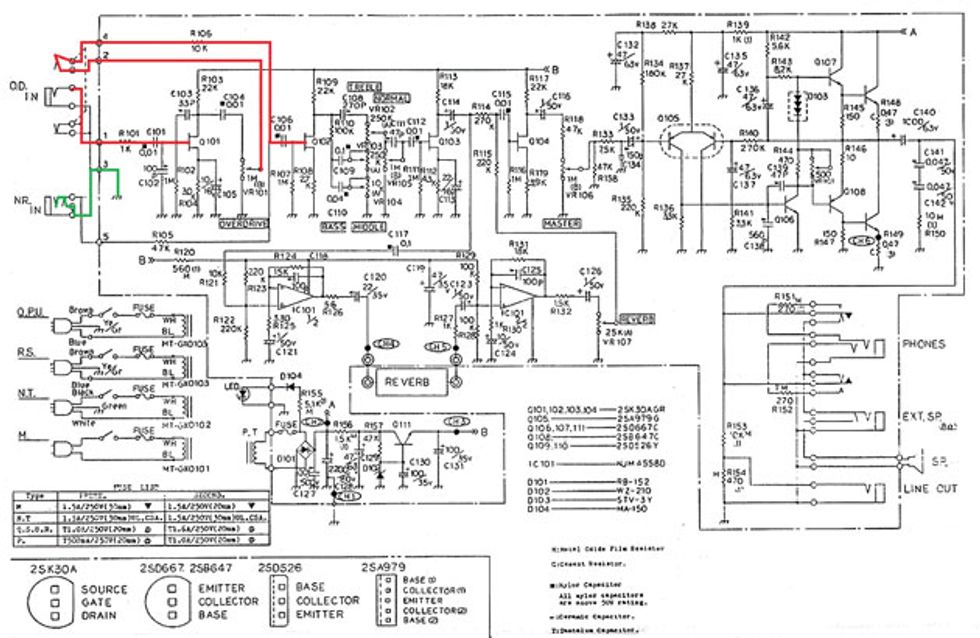
But as you’ll see in Fig. 2, things change once a guitar is plugged into the overdrive input. The red trace coming from this jack feeds the first gain stage (Q101). The output of this stage is connected to the overdrive control. The next red trace shows the output of this control going through one set of switching contacts contained in the overdrive jack, which are closed when a 1/4" plug is inserted into this jack. The signal then goes to the second gain stage (Q102) and, as before, on to the tone stack and then the normal volume control.
Fig. 2
As you can hopefully see by now, this is why both the overdrive and the normal volume controls function when you plug into the overdrive jack. This jack gives you access to an additional gain stage, as well as the ability to control its level by using the overdrive control. The higher you set the overdrive control, the more the first gain stage will overdrive the second.
This is very similar to the first series of Marshall MV master volume amps—the 2203 and 2204. Plugging into the high gain input provides access to the first gain stage, which is disconnected when you plug into the low gain input. The only difference is that the level of the first Marshall gain stage is fixed, whereas on the GX20 you have the ability to control this level via the overdrive control.
Here’s one way to think of the GX20’s overdrive input: It’s as if you’re plugged into the normal input, but have a gain-boost stompbox between your guitar and amp. I hope this alleviates any control confusion.













![Devon Eisenbarger [Katy Perry] Rig Rundown](https://www.premierguitar.com/media-library/youtube.jpg?id=61774583&width=1245&height=700&quality=70&coordinates=0%2C0%2C0%2C0)


































