Hi Jeff,
Greetings from S.A. Cape Town.
I saw an article regarding reducing the power of amplifiers, and it sounds as if you might be able to help me with the following problem. The bass response on my DeVille 212 is way too much even when I turn it right down. I’ve also lowered my pickups on my Strat, but it’s still booming. Is there anything one can do to reduce the bass on this amp? I would really appreciate your input/help.
Regards,
Martin
Hello Martin and greetings from the good ol’ U.S. of A.
Thanks for reading and thanks for your question, although I have to say it’s atypical, for sure. Most guitarists are looking for a bit more bass in their amplifiers, but you’re looking for just the opposite, which is actually a good thing, in my opinion. In most cases (with a few exceptions), a guitarist really shouldn’t have too much bass in his or her sound, as it tends to muddy up the mix—be it recorded or live. The guitar is a midrange instrument, so too much exaggerated bottom end gets in the way of the bass guitar and the kick drum. Let’s leave the bottom end to the instruments to which it belongs and let me try to assist you in this endeavor.
I’m going to suggest a couple modifications to the amplifier, which will require removal of the circuit board in order to replace components. I recommend that someone with experience working on these amps perform this, as the traces on the single-sided PC board are easily damaged and the ribbon cables used to connect circuit boards are easily broken if one is not careful. I’ll also give a couple suggestions that may work for you without modifying the amp, so stayed tuned till the end.
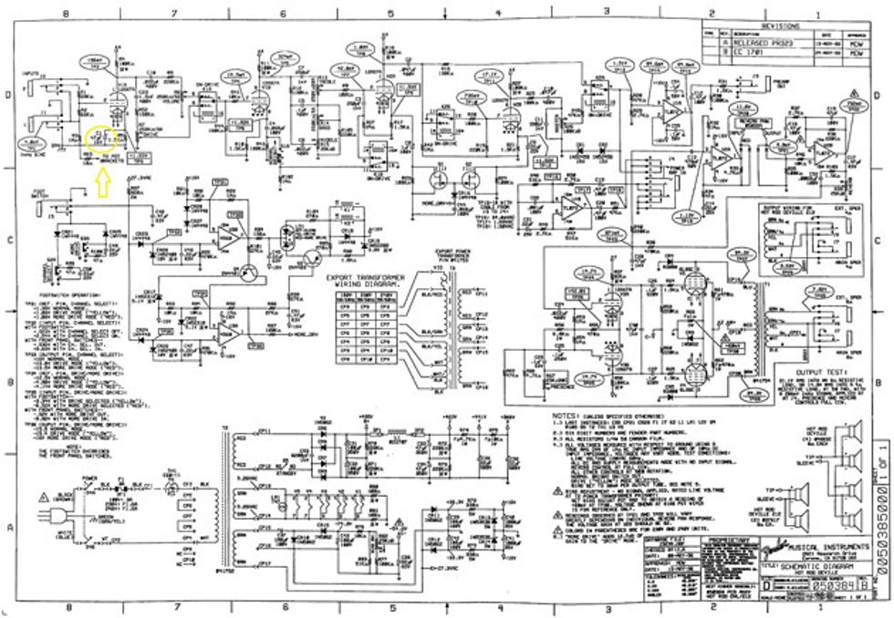
Let’s get started. My first suggestion is to lower the value of or remove capacitor C1 (Fig. 1). Doing this will change the gain structure in the first stage of the amp, but this may be beneficial if you find the drive channel characteristics a bit muddy on the bottom end. Try replacing C1 with a 0.68 uF or 0.47 uF cap. This does not need to be a polarized cap, and anything over a 25-volt rating will be fine. (What you’ll find will more than likely be in the 400- to 600-volt range, which is all right.) If you enjoy the characteristics of the drive channel as it is, I’d leave this cap alone.
Fig. 1 — Changing the gain structure of the amp in its first stage by replacing or removing capacitor C1, as shown here, can clean up muddy drive channel characteristics on the bottom end.
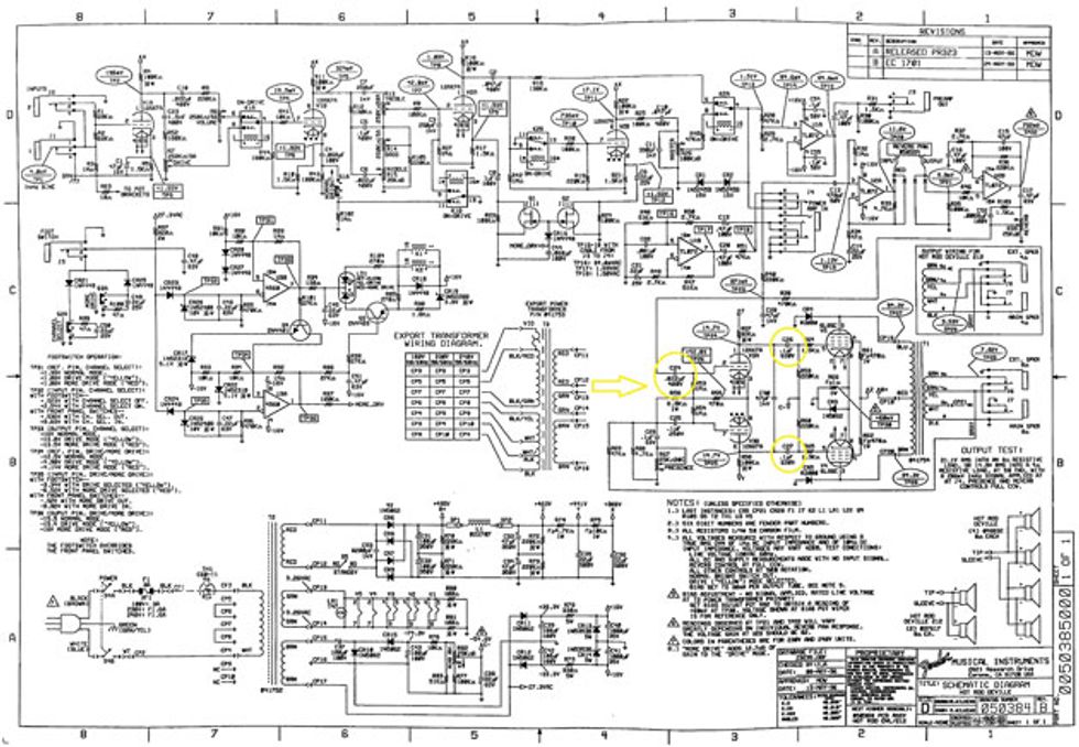
Next, we’ll move to the phase inverter portion of the amp. This is where the signal is fed to the output tubes. You can do a good bit of tone tailoring here. The cap on the input of the phase inverter tube, or the two on the output of the tube (Fig. 2), can be reduced to lessen the amount of bass going to the output tubes. The input cap (C23 in a Blues DeVille, C24 in a Hot Rod DeVille) has a stock value of 0.022 uF. Reducing this to 0.01, 0.0047 or 0.001 will substantially reduce the bass response of the amp. Similarly, the two caps on the output of the phase inverter (C25 and C26 in a Blues Deville, C26 and C27 in a Hot Rod Deville) can be reduced from the stock 0.1 uF to 0.047, 0.022 or 0.01 to achieve the same result. The outcome of both modifications should be very similar, but just know that if you do the latter, the caps should have a rating of 600V DC. The voltage of the input cap is not critical.
Fig 2 — Changing the input or output caps in the phase inverter portion of the amp, as this diagram illustrates, will lessen the amount of bass going to the output tubes.
Those modifications should enable you to bring the bass response of the amp down to a comfortable level. Just remember: The amp has now been modified to your needs. Another player, should you decide to sell it, might not like this. That said, let’s look at a few less-invasive options. My first suggestion: put an EQ pedal in the effects loop. These amps have an effects loop (or Preamp Out /Power Amp In as it’s labeled) that should be friendly enough to most pedals, so find yourself a graphic EQ stompbox and patch it in. This should allow you to pull out as much or as little of the offending frequency as you wish. The downside is, most EQs are active boxes, so they do require power. But if you already have a pedalboard, and you patch effects into your effects loop, you can simply add the pedal into that chain and it should work fine.
Fig. 3 — Following this schematic, you should be able to build a bass-cut box that can switch to sequentially lower capacitor values, reducing the amount of bass being supplied to the phase inverter.
If you’re not into modifying the amp or adding a powered pedal into the loop, I have one more suggestion: build a bass-cut box. I’ve not done this before, but it should work just fine. Find a rotary switch with maybe six positions or more, two 1/4” jacks, and a metal box to mount them in. Wire the switch as I’ve drawn in the schematic (Fig. 3) and patch it into the effects loop. The values shown are merely suggested, so feel free to experiment with different values. As you switch to sequentially lower capacitor values, you’ll be reducing the amount of bass being supplied to the phase inverter. This should solve your problem and allow you to use it on any other amp with an effects loop.
There you go. That should tame your fat-bottomed amp!



























Dennis Cagle, Reader
