The cold, hard truth for guitar players like myself is that playing dynamics are first found in the hands. We might hope to find an instrument, effect box, or amplifier that can recast our ham-fisted guitar approach into something more nuanced, but for better or worse, there's nothing that's going to change our poor Johnny Ramone impressions into “Sultans of Swing."
Let's assume for the moment that you've developed the technique and taste required to have a dynamic playing style. You've moved beyond just hitting the notes and have endeavored to imbue each one with a particular attitude. How do we preserve that hard-fought dynamism and keep it from being obliterated by our stompbox designs?
Touch-sensitivity has become a bit of a buzzword in the effects marketplace. It means many things to many different people, but it might be easiest to describe by what it isn't. A piece of gear with limited touch-sensitivity offers little to no variation in output when a dynamic input is applied. A Townshend windmilled 6-string barre chord produces a shotgun blast of sound. A slight tickling of the strings? A similar scatter shot. This insensitivity isn't necessarily bad (i.e. the Guess Who's “American Woman"), but if you can play a single note 100 different ways, in some circumstances you might want a device that produces just as varied an output.
To make a pedal dynamic, responsive, and touch-sensitive is a bit of a black art. Effect circuits don't have to be complicated, but even the most elementary of circuits can produce sonic complications that belie the simplicity of their schematics. Since there's no closed-form solution for what sounds good, and pedal designers typically use components in ways that make electronic datasheet authors despondent, it's good to try to develop some conceptual rules of thumb and then refine them in real-world applications after the fact. Let's take a simplified look at op-amp clipping and dynamics.
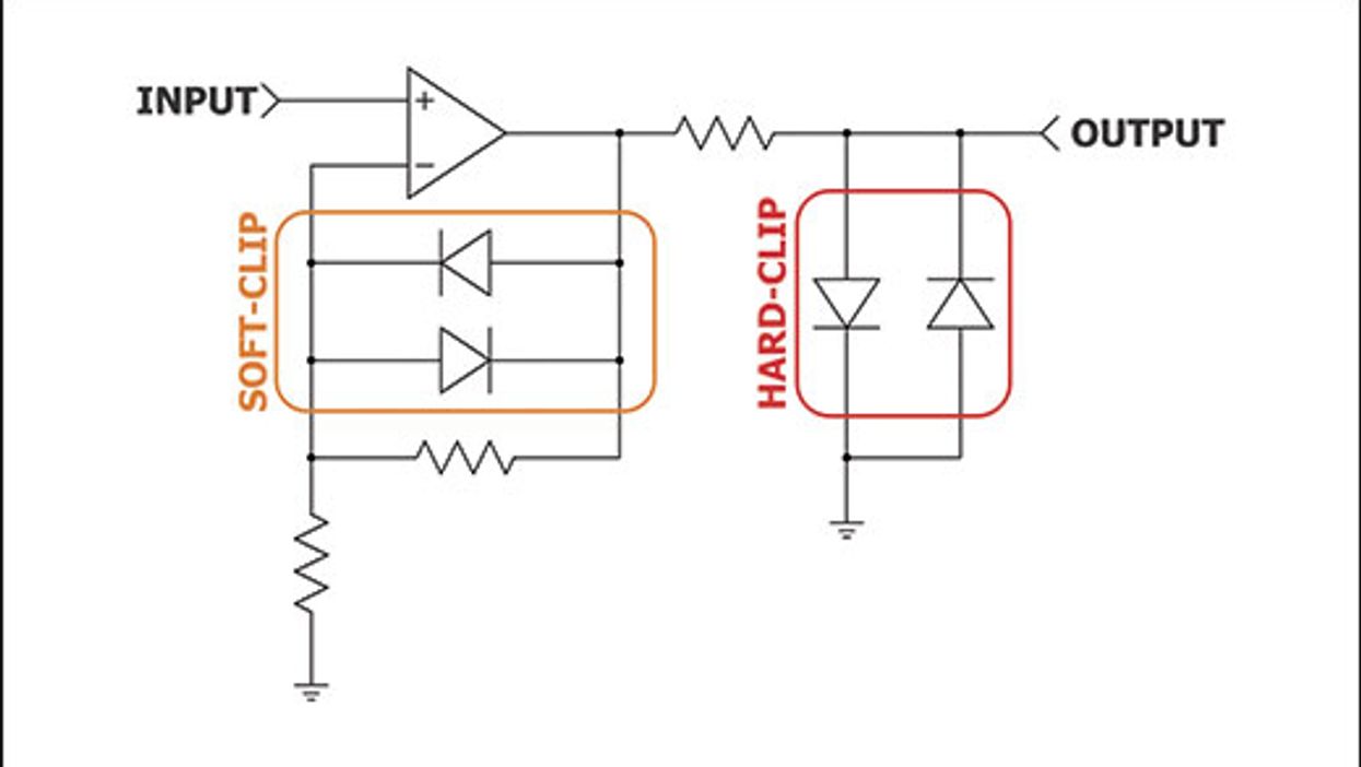
In Fig. 1, you can see an operational-amplifier-based gain circuit with both soft clipping and hard clipping. These two types of clipping have been covered in these pages before, but I'll sum them up here. In soft clipping, the two diodes are in the feedback loop of the op amp, and once a certain threshold is reached, those diodes begin conducting and reduce the gain of the op amp in a limiting action. For higher gain settings, this abrupt reduction in gain can be a relatively hard limit, but at lower gains, the transition into limiting is comparatively gentle in onset. The hard-clipping diodes are capable of a more brick-wall characteristic. At a certain threshold, the diodes become an effective short-to-ground and, depending on the surrounding components, can truncate the input wave very aggressively. As you increase the input signal past the clipping threshold, you get very little change in output.
Ibanez Tube Screamers famously use soft-clipping (although this has led some forumites to mistakenly call anything with a similar setup a Screamer derivative). Pro Co RATs use hard clipping to good results. Some pedals like the Nobels ODR-1 use both clipping styles in the same circuit. So can either scheme make a dynamic effect?
The answer depends on a host of specifics, but here are some general rules of thumb. At lower gain settings, the soft-clipper circuit might feel more dynamic as the limiting characteristic isn't as aggressive. This is where a tube-like voicing can be found. The hard-clipper setup does live up to its name, but, counterintuitively, can still feel dynamic under higher gain. I believe this is due to the fact that it's somewhat easier to play “under" the hard-limiting action. While the soft-knee function of the soft clippers begins compressing and limiting sooner, the hard clippers stay open longer and then abruptly close. So light playing can sneak through unlimited, but once the circuit begins distorting significantly, more gain and more input doesn't add a great deal of dynamic difference. I've watched players like Tom Bukovac play a hard-clipping RAT and really manipulate their signal right around that threshold, staying shy of it when needed and launching over it deftly.
Disciplined hands and well-trained ears can coax dynamic range from almost anything, but pedals can certainly help or hinder the process. Don't buy pedals based on their schematics but listen and consider how those schemes might influence your playing and approach to your instrument's sound.



















